Кошик 0
Список порівняння 0 Список бажань 0
Особистий кабінет
Меню
Друзі, інтернет-магазин не працює у вихідні. Усі замовлення, зроблені в суботу та неділю, будуть оброблені з понеділка. Запрошуємо вас відвідати нашу офлайн-точку продажу для зручного обслуговування! https://maps.app.goo.gl/ZgCZ5SfxNhJ1gQDE8 Дякуємо за ваше розуміння!
Наша адреса: м.Львів, вул.Щирецька, 36, ТРК Південний, ТЦ Будмаркет маг №47
м.Львів, вул.Щирецька, 36, ТРК Південний, ТЦ Будмаркет маг №47
Інтернет магазин
Пн-Пт: з 10 до 18
Магазин
Вт-Нд: з 10 до 18
Оформляйте онлайн 24/7
+38 (097) 16 17 111 +38 (063) 16 17 111 Замовити дзвінок
9 939 грн.

Система інсталяції для унітазу Grohe Rapid SL 3в1 з гігієнічним душем Paffoni Tweet Round Mix 3884000G/ZDUP110CR

Виробник: Grohe
Код товару: 3884000G_ZDUP110CR
Відгуки: (0)
Знятий з виробництва
9 939 грн.
Купити в один клік
Характеристики: (дивитися всі)
Виробник
GROHE
Тип виробу
Інсталяція для унітазу
Комплектація
гігієнічний душ з тримачем, (модуль + кріплення)
Інше
інсталяція для унітазу
Тип
для підвісних унітазів

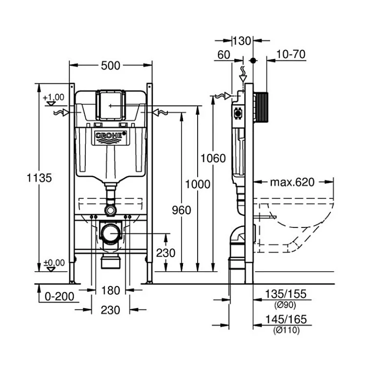
Опис товару - Система інсталяції для унітазу Grohe Rapid SL 3в1 з гігієнічним душем Paffoni Tweet Round Mix 3884000G/ZDUP110CR

Комплект складається з:

Rapid SL project Компонент для унітазу, монтажна висота 1.13 м

  • змивний бачок GD 2
  • для монтажу на стіні або стінній перегородці
  • самонесна стальна рама із порошковим напиленням
  • для сухої кладки
  • із фіксованими підключеннями
  • швидке регулювання по висоті, закривається
  • матеріал для кріплення
  • 2 болти для кріплення унітазу
  • кріплення для кераміки
  • відстань між болтами 180/230 мм
  • вихідне коліно Ø 90 мм
  • регульована глибина монтажу
  • редуктор Ø 90/110 мм
  • впускний та змивний гарнітури
  • змивні баки GD 2, 6 - 9 л мають наступні характеристики:
  • заводське налаштування 6 л і 3 л
  • пневматичний змивний вентиль із 3 режимами: подвійний змив, старт/стоп, одноразовий змив
  • підключення води зліва/справа/позаду або зверху
  • низький рівень шуму (група I відповідно до Німецької специфікації рівня шуму)
  • з ізоляцією від конденсаційної вологи
  • ½" підключення водопостачання включаючи вбудований кутовий вентиль і гнучкий шланг щільної посадки
  • під час збирання непотрібні додаткові інструменти для монтажу інспекційного коробу
  • для вертикального і горизонтального використання

Гігієнічний душ Paffoni Tweet Round Mix зі змішувачем та шлангом ZDUP110CR

Характеристики - Система інсталяції для унітазу Grohe Rapid SL 3в1 з гігієнічним душем Paffoni Tweet Round Mix 3884000G/ZDUP110CR

Загальні
Виробник
GROHE
Серія
Країна виробник

Відгуки - Система інсталяції для унітазу Grohe Rapid SL 3в1 з гігієнічним душем Paffoni Tweet Round Mix 3884000G/ZDUP110CR

0/ 5
середній рейтинг товара
0
0
0
0
0
Немає відгуків про цей товар. Станьте першим, залиште свій відгук.

Немає питань про даний товар, станьте першим і задайте своє питання.

Швидка доставка Відправляємо кур'єрськими службами
Клієнтський сервіс Підтримка клієнтів по телефону, чатах, пошті
Купони на знижку Надаємо додаткову знижку у вигляді купонів
Гарантія якості Тільки оригінальні товари від виробників
Доступні ціни Кращі ціни на ринку завдяки прямим поставкам
100% Безпечна оплата Можлива оплата зворотнім платежем